导航
首页
关于旭友
产品中心
旭友动态
防伪查询
联系我们
点击免费通话
公司动态
行业资讯
通知公告
当前位置:
首页
- 环境检测报告
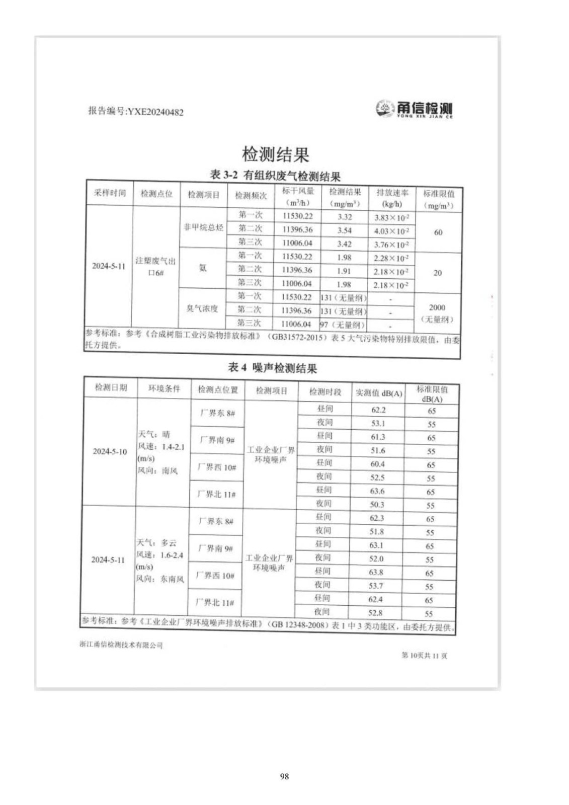
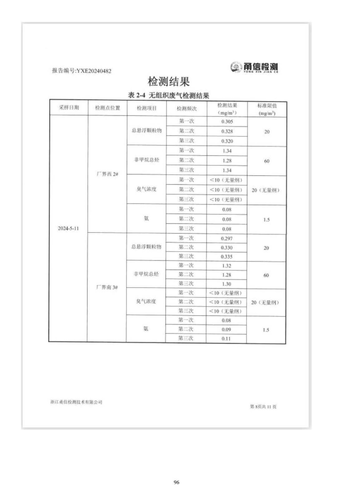
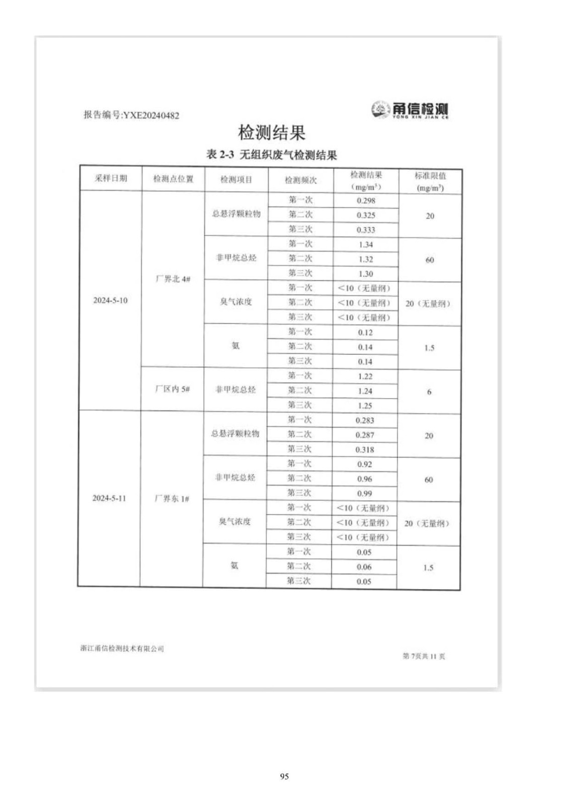
环境检测报告
环境检测报告
2025-09-28 21:08:13
下一篇:
旭友争做国内滤清...
上一篇:
绿色工厂中长期规...
网站首页
|
产品中心
|
公司新闻
|
联系我们
版权所有©2017 保留所有权利 宁波旭友滤清器制造有限公司
电话
短信
地址
询单